微型
直線導軌MG系列的精度等級,預壓力及防塵配備
精度等級
MGN及MGW系列小型導軌的精度,分為普通、高、精密級共三級,客戶可依設備精度需求選用適合精度。

(1) 非互換性直線導軌精度
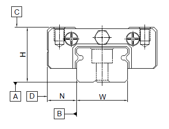
組合高度H量測是以滑塊上部基準面中心位置為準,組合寬度N量測是以滑塊側邊基準面中心位置為準。

(2) 互換性直線導軌精度
互換性直線導軌精度在滑塊組裝于單支導軌之成對高及寬度精度,同非互換性直線導軌精度,但若組裝于不同支導軌上,因導軌高度誤差,其成對高及寬度精度,比非互換性直線導軌精度稍微遜色,而行走平行度精度則同非互換性直線導軌之精度。

(3) 行走平行度精度
導軌C對A、D對B之行走平行度與導軌精度、長度有關,其值列于下表。

預壓力
MGN/MGW 系列提供普通間隙、無預壓、輕預壓三種預壓力。

防塵配備
標準防塵配備滑塊兩端裝有刮油片,以阻隔粉塵或雜質進入滑塊內部,而影響直線導軌壽命及精度。防塵片是裝在滑塊底部,以防止粉塵或雜質從滑塊底部間隙進入滑塊內部,客戶若欲選用防塵片,可于型號后面加 +U 代碼。規格5、7滑塊至底部承靠面間隙 (H1) 很小,并不提供加裝防塵片,然規格9、12與15有提供防塵片選用。客戶在選用防塵片時,需注意滑塊間隙 (H1) 變小,當有側邊承靠面使用時,側邊承靠面之高度,不可大于間隙值(H1),以避免滑塊在運行時干涉到側邊承靠面。